Page 104 - Dixon Petroleum 2013_wm

Basic HTML Version

Dry Disconnects
800.355.1991
102
Dixon Bayco 2013
Replacement Parts
Petroleum
Petroleum Replacements
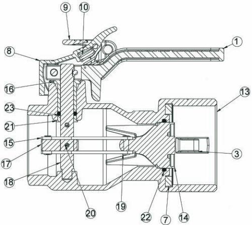
1½" Stainless Coupler
Bill of Materials
D2C7x-150
D2C Cam and Groove Actuator Style Dry Disconnects
1½" Stainless Couplers
Item #
Description
Part # Qty
1 lever
40080SS
1
2 lever cotter pin
40088SS
2
3 EZ-Boss lock cam arm
40089SS
2
4 lock washer
40099SS
1
5 socket head screw
40100SS
1
6 cam arm spring pin
40101SS
2
7A cam gasket Buna (for D2C71-150)
200-G-BU
1
7B cam gasket Viton
®
(for D2C72-150)
200-G-VI
1
7C cam gasket PTFE/Silicone
®
(for D2C73-150)
200-G-TES
1
7D cam gasket EPDM (for D2C74-150)
200-G-EPDM
1
8 lever latch
40225SS
1
9 lever lock
40226SS
1
10 lever lock compression spring
40230SS
1
11 lever lock torsion spring
40231SS
1
12 lever clevis pin
40232SS
2
13 body
- -
1
14 poppet
40287SS
1
15 poppet link arm
40288SS
2
16 bearing
40289FG
1
17 poppet cam
40290SS
1
18 poppet lever shaft
40291SS
1
19 poppet link rivet
40292SS
2
20 poppet lever shaft spring pin
40293SS
2
21 spacer
40294SS
1
22 poppet O-ring PTFE/Viton
®
40295TV
1
23A lever shaft O-ring Buna (for D2C71-150)
40296BN
1
23B lever shaft O-ring Viton
®
(for D2C72-150)
40296VI
1
23C lever shaft O-ring Kalrez
®
(for D2C73-150)
40296KR
1
24D lever shaft O-ring EPDM (for D2C74-150)
40296EP
1
Product instruction sheets and technical data can be viewed on our website at
dixonbayco.com by selecting the "Resources" menu
2" Stainless Coupler
Bill of Materials
D2C7x-200
Item #
Description
Part # Qty
1 lever
40080SS
1
2 lever cotter pin
40088SS
2
3 EZ-Boss lock cam arm
40089SS
2
4 lock washer
40099SS
1
5 socket head screw
40100SS
1
6 cam arm spring pin
40101SS
2
7A cam gasket Buna (for D2C71-200)
250-G-BU
1
7B cam gasket Viton
®
(for D2C72-200)
250-G-VI
1
7C cam gasket PTFE/Silicone
®
(for D2C73-200)
250-G-TES
1
7D cam gasket EPDM (for D2C74-200)
250-G-EPDM
1
8 lever latch
40225SS
1
9 lever lock
40226SS
1
10 lever lock compression spring
40230SS
1
11 lever lock torsion spring
40231SS
1
12 lever clevis pin
40232SS
2
13 body
- -
1
14 poppet
40298SS
1
15 poppet link arm
40299SS
2
16 bearing
40289FG
1
17 poppet cam
40300SS
1
18 poppet lever shaft
40291SS
1
19 poppet link rivet
40292SS
2
20 poppet lever shaft spring pin
40293SS
2
21 spacer
40294SS
1
22 poppet O-ring PTFE/Viton
®
40301TV
1
23A lever shaft O-ring Buna (for D2C71-200)
40296BN
1
23B lever shaft O-ring Viton
®
(for D2C72-200)
40296VI
1
23C lever shaft O-ring Kalrez
®
(for D2C73-200)
40296KR
1
24D lever shaft O-ring EPDM (for D2C74-200)
40296EP
1