Page 118 - Dixon Petroleum 2013_wm

Basic HTML Version

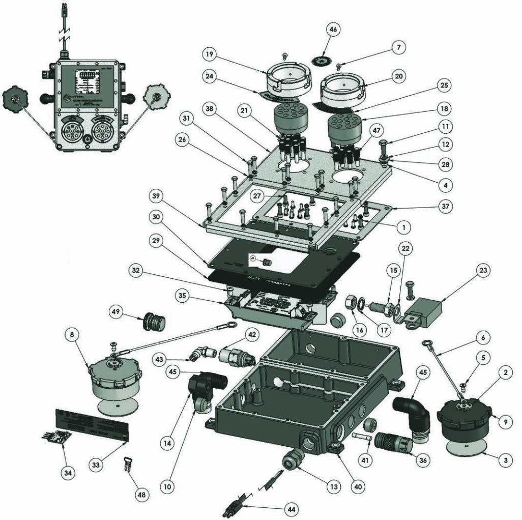
Fuel Tanker Overfill Detection
800.355.1991
116
Dixon Bayco 2013
Overfill
Replacement Parts
Overfill Replacements
Product instruction sheets and technical data can be viewed on our website at
dixonbayco.com by selecting the "Resources" menu
FT208 - 39xP SeriesPlug-n-Play Monitors with Integrated Dual Sockets