Page 125 - Dixon Petroleum 2013_wm

Basic HTML Version

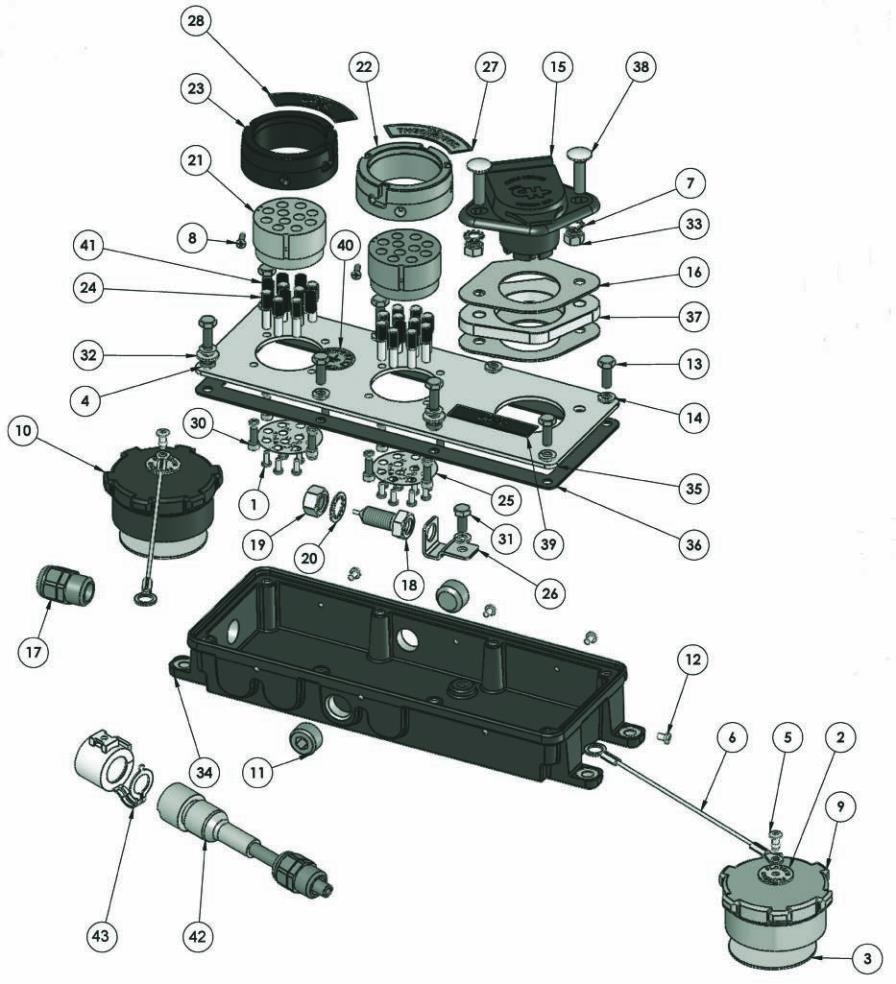
Fuel Tanker Overfill Detection
800.355.1991
Dixon Bayco 2013
123
Overfill Replacements
Overfill
Replacement Parts
Repair Kits
Part #
Description
Includes Item #
FT320
replacement blue (optic) vinyl cap assembly
2, 3, 5, 6, 10
FT321
replacement green (thermistor) vinyl cap assembly
2, 3, 5, 6, 9
FT9051
replacement contact block assembly for FT390/FT393 Optic 6 pin
1,8, 21, 24, 25
FT9052
replacement contact block assembly for FT390/FT393 Thermistor 10 pin
1,8, 21, 24, 25
FT9062
replacement nose ring contact assembly, Thermistor 4J slot, 10 pin
1, 8, 21, 22, 24, 25
FT9063
replacement nose ring contact assembly, Optic 3J slot, 6 pin
1,8, 21, 23, 24, 25
FT9068
replacement contact block attachement screws and washers (4 each)
29, 30
Product instruction sheets and technical data can be viewed on our website at
dixonbayco.com by selecting the "Resources" menu
Plug-n-Play Stand Alone Sockets
FT394P & FT395P Series