Page 156 - ParkerBrassCatalog2010

SEO Version

Parker Hannifn Corporation
Parker Brass Products Division
Otsego, Michigan
D20
Catalog 3501E
TrueSeal™ Thermoplastic Push-In Fittings
D
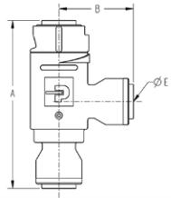
VTU - Water Supply Valve
White
Polypropylene
Nom.
Tube
O.D.
A
B
D
Thru
Hole
Min.
PP6VTU6-MG 3/8
2.92
1.3
.30
Part No.
Connects to:
Kit Contains
WSV4-Kit
1/4” Compression Valve
AW6TAF7-MG, AW6TFA7-MG, PP6VTU6-MG
WSV6-Kit
3/8” Compression Valve
AW6TAF9-MG, AW6TFA9-MG, PP6VTU6-MG
WSV8-Kit
1/2” NPSM Faucet Stem AW6TAF8-MG, AW6TFA8-MG, PP6VTU6-MG
Water Supply Valve Kits
TrueSeal
Cold Water Supply Valve Assembly Instructions
CORRECT
INCORRECT
CORRECT
INCORRECT
Installation on Existing Tubing Assembly
Installation on Existing Hose Assembly
For Installation with 3/8" Plastic Tubing:
1. Shut off water at the chrome or brass valve.
2. Disconnect existing tube assembly.
3. Cut out a 1-3/8" (35 mm) section near the center of the
existing tubing. Cut the tube squarely and remove any burrs.
4. Place an insertion depth mark 3/4" (19 mm) from the end
of each cut on the tubing to be reused. Refer to "TrueSeal
Assembly Instructions," Steps 2 and 3, for tubing assembly
(reverse side).
5. Reconnect tube assembly with new valve.
6. Make sure new valve is closed before opening water valve.
Open valve in Step 1 and check for leaks.
7. Insert 3/8" tubing from water appliance into side port.
8. Open new valve by turning pointer to large end of fow
indicator.
For Installation with Flexible Hose:
1. Shut off water at the chrome or brass valve.
2. Disconnect one end of existing hose assembly.
3. Place the appropriate adapters on the chrome or brass valve
and the hose end.
4. Tighten adapter on chrome or brass valve fnger tight plus 1/2
turn. Do not over tighten.
5. Push tube portion of adapters into top and bottom of valve until
bottomed out. Hose should not be kinked. A longer hose as-
sembly might be required if a gently loop cannot be made.
6. Make sure new valve is closed before opening water valve.
Pointer will be at the small end of triangle fow indicator. Open
valve in Step 1 and check for leaks.
7. Insert 3/8" tubing form water appliance into side port.
8. Open new valve by turning pointer to large end of fow
indicator.